The Buildings library is a free library for
modeling building energy and control systems. Many models are based
on models from the package Modelica.Fluid and use the
same ports to ensure compatibility with the Modelica Standard
Library.
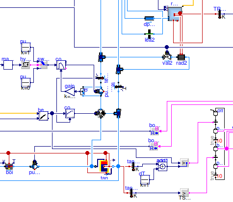
The figure below shows a section of the schematic view of the model Buildings.Examples.HydronicHeating. In the lower part of the figure, there is a dynamic model of a boiler, a pump and a stratified energy storage tank. Based on the temperatures of the storage tank, a finite state machine switches the boiler and its pump on and off. The heat distribution is done using a hydronic heating system with a three way valve and a pump with variable revolutions. The upper right hand corner shows a room model that is connected to a radiator whose flow is controlled by a thermostatic valve.

The web page for this library is http://simulationresearch.lbl.gov/modelica, and the development page is https://github.com/lbl-srg/modelica-buildings. Contributions to further advance the library are welcomed. Contributions may not only be in the form of model development, but also through model use, model testing, requirements definition or providing feedback regarding the model applicability to solve specific problems.
| Name | Description |
|---|---|
| User's Guide | |
| Package with models that are configured to use with air-based HVAC systems | |
| Package to compute airflow and contaminant transport between rooms | |
| Package with models for different application domains | |
| Package with models for boundary conditions | |
| Package with models for controls | |
| Models for district heating and cooling systems | |
| Package with models for electrical systems | |
| Package with models for fluid flow systems | |
| Package with heat transfer models | |
| Package with medium models | |
| Package with models to simulate building occupant behaviors | |
| Package with templates for various HVAC systems | |
| Models for BuildingPhysics | |
| Package with utility functions such as for I/O | |
| Package with type definitions | |
| Collection of models that illustrate model use and test models | |
| Package with base classes for the Buildings library | |
| Classes that are obsolete and will be removed in later versions |