Decoupler for a two input two output process
(see Process ).
The aim of the decoupler (represented in the following figure) is to reduce (ideally to delete them) the effects of the first
input U1 on the second output Y2 and vice versa.
This can be done introducing the new variables (V1,V2) and placing the decoupler between them and the real process.

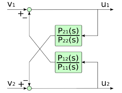
The decoupler is described by the following scheme (backward decoupler)

The effect of the decoupler is shown in the following picture where the decoupler with its backward action deletes the relation between V1 and Y2 (the sum of the blue and red paths).

Once the process is known (P11,P21,P21,P22), the decoupler can be specified by the definition of the two rational trasfer functions
P12(s) ------ P11(s)and
P21(s) ------ P22(s)