.ModPowerSystems.Base.Interfaces.ComplexPhasor.SinglePhase.OnePort

Shell model for models with two electrical connectors

Information

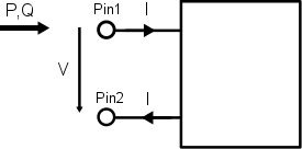
The model represents a one port with the following definitions:

Note, that a one port must meet the port condition: input and output current must be equal.


Generated at 2026-04-15T18:18:36Z by OpenModelicaOpenModelica 1.26.3 using GenerateDoc.mos