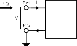
The model represents a one port where the second pin is connected to the ground:

Note that, due to the fact that the second pin does not provide any additional information (voltage is zero and current the same as flowing into the port), it is not included in the model.