This model consist of an HVAC system, a building envelope model and a model for air flow through building leakage and through open doors.
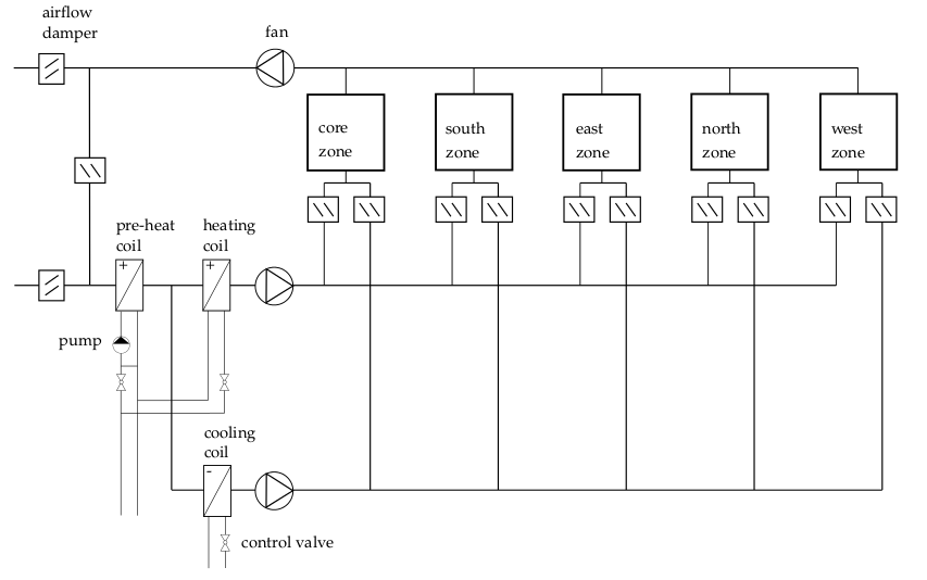
The HVAC system is a dual-fan, dual-duct system with economizer and a heating and cooling coil in the air handler unit. One of the supply air streams is called the hot-deck and has a heating coil, the other is called the cold-deck and has a cooling coil. There is also one return fan and an economizer. The figure below shows the schematic diagram of the dual-fan, dual-duct system.

Each thermal zone inlet branch has a flow mixer and an air damper in the hot deck and the cold deck. The air damper control signals are as shown in the figure below.

Hence, at low room temperatures, the amount of hot air is increased, and at high room temperatures, the amount of cold air is increased. In addition, whenever the air mass flow rate is below a prescribed limit, the hot air deck damper opens to track the minimum air flow rate. The temperature of the hot-deck is reset based on the outside air temperature. The temperature of the cold-deck is constant. The revolutions of both supply fans are controlled in order to track a pressure difference between VAV damper inlet and room pressure of 30 Pascals. The return fan is controlled to track a building pressure of 30 Pascals above outside air pressure. There is also an economizer which is controlled to provide the following functions: freeze protection, minimum outside air requirement, and supply air cooling, see Buildings.Examples.VAVReheat.BaseClasses.Controls.Economizer. During night-time, the fans are switched off. The coils are controlled as follows: The preheat coil is controlled to maintain an air outlet temperature of 11°C during day-time, and 6°C during night-time. The heating coil is controlled to maintain the air outlet temperature shown in the figure below.

The cooling coil is controlled to maintain a constant outlet temperature of 12° during day-time, and 40°C during night-time
There is also a finite state machine that transitions the mode of operation of the HVAC system between the modes occupied, unoccupied off, unoccupied night set back, unoccupied warm-up and unoccupied pre-cool.
All air flows are computed based on the duct static pressure distribution and the performance curves of the fans. Local loop control is implemented using proportional and proportional-integral controllers, while the supervisory control is implemented using a finite state machine.
To model the heat transfer through the building envelope, a model of five interconnected rooms is used. The five room model is representative of one floor of the new construction medium office building for Chicago, IL, as described in the set of DOE Commercial Building Benchmarks (Deru et al, 2009). There are four perimeter zones and one core zone. The envelope thermal properties meet ASHRAE Standard 90.1-2004. The thermal room model computes transient heat conduction through walls, floors and ceilings and long-wave radiative heat exchange between surfaces. The convective heat transfer coefficient is computed based on the temperature difference between the surface and the room air. There is also a layer-by-layer short-wave radiation, long-wave radiation, convection and conduction heat transfer model for the windows. The model is similar to the Window 5 model and described in TARCOG 2006.
Each thermal zone can have air flow from the HVAC system, through leakages of the building envelope (except for the core zone) and through bi-directional air exchange through open doors that connect adjacent zones. The bi-directional air exchange is modeled based on the differences in static pressure between adjacent rooms at a reference height plus the difference in static pressure across the door height as a function of the difference in air density. There is also wind pressure acting on each facade. The wind pressure is a function of the wind speed and wind direction. Therefore, infiltration is a function of the flow imbalance of the HVAC system and of the wind conditions.
ASHRAE. Sequences of Operation for Common HVAC Systems. ASHRAE, Atlanta, GA, 2006.
Deru M., K. Field, D. Studer, K. Benne, B. Griffith, P. Torcellini, M. Halverson, D. Winiarski, B. Liu, M. Rosenberg, J. Huang, M. Yazdanian, and D. Crawley. DOE commercial building research benchmarks for commercial buildings. Technical report, U.S. Department of Energy, Energy Efficiency and Renewable Energy, Office of Building Technologies, Washington, DC, 2009.
TARCOG 2006: Carli, Inc., TARCOG: Mathematical models for calculation of thermal performance of glazing systems with our without shading devices, Technical Report, Oct. 17, 2006.
| Name | Description |
|---|---|
| Medium model for water |
displayUnit attribute.fanSupCol and fanRet with
preconfigured fan models. This is for issue
#2668.lat as this is now
obtained from the weather data reader.use_inputFilter=false in fan models to avoid a
large increase in computing time when simulated between
t=1.60E7 and t=1.66E7.dynamicBalanceJunction and
energyDynamicsJunction.Modelica.Fluid.System to address issue
#311.