This part of the system model changes the implementation of the control in Buildings.Examples.Tutorial.Boiler.System6 to use a state machine to switch the pumps and the boiler on and off. State machines provide an alternate way to implement discrete event, reactive and hybrid systems. The state machine that is implemented in this model is shown in the figure below.

In the figure above, the ovals depict states, and the arrows are transitions between the states. The transitions fire when the conditions are true.
This model was built as follows:
First, we copied the model Buildings.Examples.Tutorial.Boiler.System6
and called it
Buildings.Examples.Tutorial.Boiler.System7.
We implemented the state machine using blocks from the library Modelica.StateGraph. How to use these blocks is explained in Modelica.StateGraph.UsersGuide.
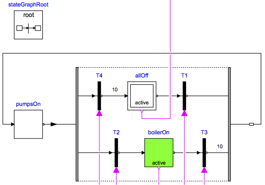
The figure below shows the state machine. The square icons are states, and the black bars are transitions. The initial state is indicated by the double frame. The transitions are enabled when their input signal is true. The numbers to the right of the transition indicate the delay in seconds. If a delay is present, the input needs to be true during the entire duration of the delay for a transition to fire. The active state is rendered green. Some states have a Boolean output signal that is used to switch components such as the pumps and the boiler on or off.

In our implementation, the state allOff is the
initial state, indicated by its double frame. The transition
T1 is used to switch the pumps on. Once the
pumpsOn state is active, there are two alternate
paths. Either transition T2 may fire, which would
switch the boiler on, or T4 may fire, which would
return to the allOff state. Hence, the boiler can only
be on when the pumps are on. From the state boilerOn,
the only next step can be to transition to the state
pumpsOn. Note that the transitions T3 and
T4 only fire when their input is true for the entire
duration of 10 seconds. Hence, the pumps and the boiler must
run for at least 10 seconds before they can be switched
off.
When simulating the model for 2 days, or 172800 seconds, the response shown below should be seen.

| Name | Description |
|---|---|
| Medium model |
nominalValuesDefineDefaultPressureCurve=true
in the mover component to suppress a warning. This is for #3819.greThrTRoo from
and to or block. This ensures that the
system is off when the outdoor air or room air is sufficiently
warm.Modelica_StateGraph2 with
Modelica.StateGraph. This is for issue
504.conPIDBoi and set
reverseActing=false to address issue #436.Modelica.Fluid.System to address issue
#311.